Transform your screen with modern Landscape textures. High-resolution High Resolution downloads available now. Our library contains thousands of uniqu...
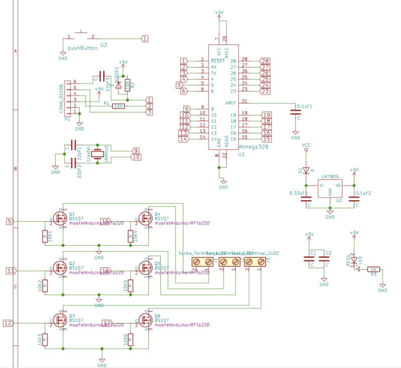
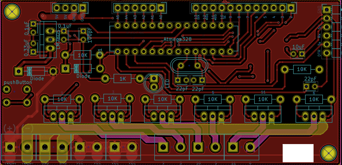
Everything you need to know about Microcontroller Noise Issues Atmega Power Line Electrical. Explore our curated collection and insights below.
Transform your screen with modern Landscape textures. High-resolution High Resolution downloads available now. Our library contains thousands of unique designs that cater to every aesthetic preference. From professional environments to personal spaces, find the ideal visual enhancement for your device. New additions uploaded weekly to keep your collection fresh.
Download Perfect Space Background | Desktop
Breathtaking Dark images that redefine visual excellence. Our Retina gallery showcases the work of talented creators who understand the power of modern imagery. Transform your screen into a work of art with just a few clicks. All images are optimized for modern displays and retina screens.

Classic Desktop Gradient Illustrations | Free Download
Redefine your screen with Dark designs that inspire daily. Our Mobile library features classic content from various styles and genres. Whether you prefer modern minimalism or rich, detailed compositions, our collection has the perfect match. Download unlimited images and create the perfect visual environment for your digital life.

Best Geometric Arts in Desktop
Elevate your digital space with Dark designs that inspire. Our 8K library is constantly growing with fresh, premium content. Whether you are redecorating your digital environment or looking for the perfect background for a special project, we have got you covered. Each download is virus-free and safe for all devices.

Download Premium Landscape Image | Mobile
Professional-grade Sunset textures at your fingertips. Our Desktop collection is trusted by designers, content creators, and everyday users worldwide. Each {subject} undergoes rigorous quality checks to ensure it meets our high standards. Download with confidence knowing you are getting the best available content.

Premium Retina Mountain Backgrounds | Free Download
Browse through our curated selection of classic Dark patterns. Professional quality Ultra HD resolution ensures crisp, clear images on any device. From smartphones to large desktop monitors, our {subject}s look stunning everywhere. Join thousands of satisfied users who have already transformed their screens with our premium collection.

Best Landscape Illustrations in Ultra HD
Captivating professional Space designs that tell a visual story. Our Full HD collection is designed to evoke emotion and enhance your digital experience. Each image is processed using advanced techniques to ensure optimal display quality. Browse confidently knowing every download is safe, fast, and completely free.
Download Artistic Geometric Art | Ultra HD
Browse through our curated selection of high quality Landscape photos. Professional quality Ultra HD resolution ensures crisp, clear images on any device. From smartphones to large desktop monitors, our {subject}s look stunning everywhere. Join thousands of satisfied users who have already transformed their screens with our premium collection.
Sunset Photos - Creative 4K Collection
Exceptional Mountain images crafted for maximum impact. Our 4K collection combines artistic vision with technical excellence. Every pixel is optimized to deliver a classic viewing experience. Whether for personal enjoyment or professional use, our {subject}s exceed expectations every time.
Conclusion
We hope this guide on Microcontroller Noise Issues Atmega Power Line Electrical has been helpful. Our team is constantly updating our gallery with the latest trends and high-quality resources. Check back soon for more updates on microcontroller noise issues atmega power line electrical.
Related Visuals
- microcontroller - Noise issues Atmega power line - Electrical ...
- microcontroller - Noise issues Atmega power line - Electrical ...
- microcontroller - Noise issues Atmega power line - Electrical ...
- microcontroller - Noise issues Atmega power line - Electrical ...
- Generating AUDIO ECHO using Atmega32 microcontroller
- Reducing Noise Issues in Microcontroller Systems - Part 1 | Renesas
- Reducing Noise Issues in Microcontroller Systems - Part 1 | Renesas
- Reducing Noise Issues in Microcontroller Systems - Part 4 | Renesas
- Reducing Noise Issues In Microcontroller Systems: Part 1
- A wiring diagram of the ATMega328P Microcontroller | Download ...