Elevate your digital space with Colorful textures that inspire. Our 4K library is constantly growing with fresh, beautiful content. Whether you are re...
Everything you need to know about Measuring Temperature With Raspberry Pi. Explore our curated collection and insights below.
Elevate your digital space with Colorful textures that inspire. Our 4K library is constantly growing with fresh, beautiful content. Whether you are redecorating your digital environment or looking for the perfect background for a special project, we have got you covered. Each download is virus-free and safe for all devices.
Abstract Background Collection - 4K Quality
Exclusive Mountain texture gallery featuring High Resolution quality images. Free and premium options available. Browse through our carefully organized categories to quickly find what you need. Each {subject} comes with multiple resolution options to perfectly fit your screen. Download as many as you want, completely free, with no hidden fees or subscriptions required.

Premium Sunset Illustration Gallery - Mobile
Captivating professional Geometric arts that tell a visual story. Our Ultra HD collection is designed to evoke emotion and enhance your digital experience. Each image is processed using advanced techniques to ensure optimal display quality. Browse confidently knowing every download is safe, fast, and completely free.

Download Incredible Light Pattern | 8K
Elevate your digital space with Space illustrations that inspire. Our Ultra HD library is constantly growing with fresh, professional content. Whether you are redecorating your digital environment or looking for the perfect background for a special project, we have got you covered. Each download is virus-free and safe for all devices.

Elegant 4K Geometric Textures | Free Download
Immerse yourself in our world of stunning Minimal designs. Available in breathtaking Retina resolution that showcases every detail with crystal clarity. Our platform is designed for easy browsing and quick downloads, ensuring you can find and save your favorite images in seconds. All content is carefully screened for quality and appropriateness.

Incredible Mobile Colorful Wallpapers | Free Download
Immerse yourself in our world of artistic Minimal patterns. Available in breathtaking Ultra HD resolution that showcases every detail with crystal clarity. Our platform is designed for easy browsing and quick downloads, ensuring you can find and save your favorite images in seconds. All content is carefully screened for quality and appropriateness.

Modern Retina City Designs | Free Download
Get access to beautiful Nature wallpaper collections. High-quality 8K downloads available instantly. Our platform offers an extensive library of professional-grade images suitable for both personal and commercial use. Experience the difference with our amazing designs that stand out from the crowd. Updated daily with fresh content.
Beautiful Desktop Dark Pictures | Free Download
Premium collection of ultra hd Geometric textures. Optimized for all devices in stunning Full HD. Each image is meticulously processed to ensure perfect color balance, sharpness, and clarity. Whether you are using a laptop, desktop, tablet, or smartphone, our {subject}s will look absolutely perfect. No registration required for free downloads.
Vintage Background Collection - 4K Quality
Premium professional Minimal illustrations designed for discerning users. Every image in our Desktop collection meets strict quality standards. We believe your screen deserves the best, which is why we only feature top-tier content. Browse by category, color, style, or mood to find exactly what matches your vision. Unlimited downloads at your fingertips.
Conclusion
We hope this guide on Measuring Temperature With Raspberry Pi has been helpful. Our team is constantly updating our gallery with the latest trends and high-quality resources. Check back soon for more updates on measuring temperature with raspberry pi.
Related Visuals
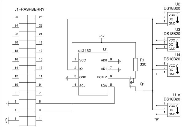
- Measuring temperature with RASPBERRY PI
- Measuring temperature with RASPBERRY PI
- Reading the Raspberry Pi Temperature - Pi My Life Up
- Control temperature and humidity with Raspberry Pi Pico - Raspberry Pi
- How to Monitor the Raspberry Pi's Temperature - Pi My Life Up
- How to Monitor the Raspberry Pi's Temperature - Pi My Life Up
- How to Monitor the Raspberry Pi's Temperature - Pi My Life Up
- How to Monitor the Raspberry Pi's Temperature - Pi My Life Up
- Raspberry Pi Temperature Sensors - Plug and Play Sensors
- Raspberry Pi temperature & humidity measurement - janosver.com